Podłączenie grzejnika do istniejącego systemu grzewczego to temat, który interesuje wielu właścicieli domów. Wiele osób zastanawia się, czy można podłączyć dodatkowy grzejnik w sposób, który nie wpłynie negatywnie na wydajność całego systemu. Ważne jest, aby zrozumieć, że bezpośrednie połączenie grzejników w sposób szeregowy nie jest zalecane, ponieważ może prowadzić do zaburzeń przepływu wody, spadków ciśnienia i niedogrzewania innych grzejników. Zamiast tego, najlepszym rozwiązaniem jest wpięcie nowego grzejnika w główny obieg wodny systemu, co zapewnia jego efektywne działanie.
W artykule omówimy różne metody podłączenia grzejnika, w tym zalety podłączenia równoległego oraz wady podłączenia szeregowego. Przedstawimy również krok po kroku, jak poprawnie podłączyć grzejnik, jakie narzędzia i materiały będą potrzebne, a także na co zwrócić uwagę, aby uniknąć najczęstszych błędów podczas instalacji. Bezpieczeństwo jest kluczowe, dlatego warto znać zasady dotyczące instalacji oraz wiedzieć, kiedy skonsultować się z fachowcem.
Kluczowe wnioski:
- Podłączenie grzejnika powinno odbywać się poprzez wpięcie go w główny obieg wodny, a nie szeregowo.
- Podłączenie równoległe zapewnia lepszą wydajność i równomierne rozłożenie ciepła.
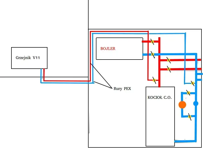
- Ważne jest, aby przewód zasilający był podłączony do dołu grzejnika, a przewód odprowadzający do górnego króćca.
- Przy instalacji nowego grzejnika należy zadbać o odpowiednie odpowietrzenie układu oraz użycie właściwych materiałów.
- W przypadku braku doświadczenia w instalacji, warto skonsultować się z fachowcem, aby uniknąć błędów.
Jak podłączyć grzejnik do grzejnika? Kluczowe informacje
Podłączenie dodatkowego grzejnika do istniejącego systemu grzewczego może być kluczowym krokiem w poprawie komfortu cieplnego w Twoim domu. Zanim jednak przystąpisz do instalacji, ważne jest, aby zrozumieć, jak działa Twój system grzewczy. Właściwe podłączenie grzejnika nie tylko zwiększy efektywność grzewczą, ale również zapobiegnie problemom takim jak spadki ciśnienia czy niedogrzewanie innych grzejników w obiegu.
Warto pamiętać, że bezpośrednie połączenie grzejników w sposób szeregowy nie jest zalecane, ponieważ może prowadzić do technicznych problemów. Zamiast tego, nowy grzejnik powinien być wpięty w główny obieg wodny systemu, co zapewni jego efektywne działanie oraz utrzymanie stabilności całego układu grzewczego. W kolejnych częściach artykułu omówimy szczegóły dotyczące różnych metod podłączenia oraz ich wpływ na wydajność systemu.
Zrozumienie systemu grzewczego i jego komponentów
Aby skutecznie podłączyć grzejnik, należy zrozumieć główne komponenty systemu grzewczego. Kluczowymi elementami są kotły, rury oraz grzejniki. Kotły odpowiadają za podgrzewanie wody, która następnie krąży w systemie. Rury transportują gorącą wodę do grzejników, a te z kolei oddają ciepło do pomieszczenia.
Każdy z tych komponentów odgrywa istotną rolę w efektywności całego systemu grzewczego. Zrozumienie ich funkcji pomoże w dokonaniu właściwego podłączenia grzejnika oraz w uniknięciu problemów, które mogą wyniknąć z niewłaściwej instalacji. Pamiętaj, że prawidłowe działanie każdego elementu jest kluczowe dla komfortu cieplnego w Twoim domu.
Wybór metody podłączenia grzejnika dla optymalnej wydajności
Wybór odpowiedniej metody podłączenia grzejnika jest kluczowy dla zapewnienia optymalnej wydajności systemu grzewczego. Istnieją różne sposoby, które można zastosować, a ich wpływ na efektywność cieplną jest znaczący. Właściwe podłączenie pozwala na równomierne rozłożenie ciepła w pomieszczeniu oraz minimalizuje ryzyko problemów z przepływem wody. Dlatego przed podjęciem decyzji warto dokładnie przeanalizować dostępne opcje.
Najlepszym rozwiązaniem jest podłączenie grzejnika równolegle do istniejącego systemu, co zapewnia, że każdy grzejnik działa niezależnie. Taki sposób podłączenia pozwala na uzyskanie wyższej temperatury w każdym z grzejników, co jest trudne do osiągnięcia w przypadku podłączenia szeregowego. Warto również wziąć pod uwagę, że w nowoczesnych instalacjach, szczególnie z pompami obiegowymi, można zastosować różne metody, które dodatkowo zwiększają efektywność całego systemu.
Różnice między podłączeniem szeregowym a równoległym
Podłączenie grzejnika można wykonać na dwa główne sposoby: szeregowo lub równolegle. Każda z tych metod ma swoje zalety i wady, które wpływają na efektywność systemu grzewczego. Podłączenie szeregowe polega na tym, że grzejniki są połączone w jeden ciąg, co może prowadzić do niedogrzewania ostatnich grzejników w obiegu, ponieważ woda nie ma możliwości swobodnego przepływu. Z kolei podłączenie równoległe pozwala na niezależne działanie każdego grzejnika, co sprzyja lepszemu rozkładowi ciepła.
Warto zauważyć, że podłączenie równoległe jest bardziej efektywne, szczególnie w dużych systemach grzewczych. Dzięki temu, każdy grzejnik może osiągnąć optymalną temperaturę, co przekłada się na wyższy komfort cieplny w pomieszczeniach. Zrozumienie tych różnic jest kluczowe dla podjęcia właściwej decyzji dotyczącej instalacji grzejnika.Zalety podłączenia równoległego dla efektywności cieplnej
Podłączenie grzejnika w sposób równoległy oferuje wiele korzyści, które mają bezpośredni wpływ na efektywność cieplną systemu grzewczego. Przede wszystkim, każdy grzejnik działa niezależnie, co pozwala na równomierne rozłożenie ciepła w pomieszczeniu. Dzięki temu, użytkownicy mogą uzyskać optymalną temperaturę w każdym z grzejników, co jest szczególnie ważne w większych przestrzeniach. Ponadto, podłączenie równoległe zmniejsza ryzyko problemów z przepływem wody, co może prowadzić do oszczędności energii.
W przypadku zastosowania pomp obiegowych, podłączenie równoległe jest jeszcze bardziej korzystne. Umożliwia ono lepsze zarządzanie ciśnieniem w systemie, co sprzyja jego dłuższej żywotności. Warto rozważyć tę metodę, zwłaszcza jeśli planujesz rozbudowę systemu grzewczego w przyszłości lub chcesz zwiększyć komfort cieplny w swoim domu.
Wady podłączenia szeregowego i ich wpływ na system
Podłączenie grzejnika w sposób szeregowy niesie ze sobą szereg wad, które mogą negatywnie wpłynąć na wydajność całego systemu grzewczego. Głównym problemem jest to, że woda przepływa przez grzejniki jeden po drugim, co często prowadzi do niedogrzewania ostatnich grzejników w obiegu. W rezultacie, użytkownicy mogą doświadczać różnic w temperaturze, co jest niekomfortowe.
Dodatkowo, podłączenie szeregowe może prowadzić do spadków ciśnienia w systemie, co z kolei wpływa na efektywność pomp obiegowych. W dłuższej perspektywie, takie podejście może skutkować zwiększonym zużyciem energii oraz wyższymi kosztami eksploatacyjnymi. Dlatego, w przypadku planowania instalacji grzejników, warto unikać tej metody, aby zapewnić optymalne warunki grzewcze.
Czytaj więcej: Jak uruchomić ogrzewanie w przyczepie kempingowej bez problemów
Krok po kroku: Jak poprawnie podłączyć grzejnik
Aby prawidłowo podłączyć grzejnik, należy najpierw przygotować odpowiednie narzędzia i materiały. Kluczowe elementy to klucz do rur, wkrętarka, poziomica, taśma teflonowa, uszczelki oraz trójniki. Upewnij się, że masz wszystkie potrzebne przedmioty pod ręką, aby uniknąć przerw w pracy. Dobrze jest również zaplanować, gdzie dokładnie zamontujesz grzejnik, aby zapewnić optymalne rozprowadzenie ciepła w pomieszczeniu.
Podczas instalacji grzejnika, zacznij od zakręcenia zaworów wody w systemie, aby uniknąć nieprzyjemnych niespodzianek. Następnie, przy użyciu klucza do rur, odkręć stare połączenia i przygotuj nowe miejsce na grzejnik. Użyj poziomicy, aby upewnić się, że grzejnik jest zamontowany prosto. Po podłączeniu przewodów zasilających i odprowadzających, sprawdź szczelność połączeń, a następnie otwórz zawory wody. Na koniec, odpowietrz grzejnik, aby usunąć powietrze z układu, co zapewni jego prawidłowe działanie.
Przygotowanie niezbędnych narzędzi i materiałów
Aby skutecznie podłączyć grzejnik, potrzebujesz kilku podstawowych narzędzi i materiałów. Kluczowe elementy to: klucz do rur (np. klucz nastawny 24 mm), wkrętarka (np. Bosch GSR 12V-15), poziomica (np. poziomica magnetyczna 60 cm), taśma teflonowa, uszczelki (np. uszczelki gumowe 1/2 cala) oraz trójniki (np. trójnik mosiężny 1/2 cala). Upewnij się, że masz wszystkie te przedmioty przed rozpoczęciem pracy, co znacznie ułatwi proces instalacji.
- Klucz do rur - do odkręcania i dokręcania połączeń.
- Wkrętarka - do montażu uchwytów grzejnika.
- Poziomica - aby zapewnić prawidłowe ustawienie grzejnika.
- Taśma teflonowa - do uszczelniania połączeń.
- Uszczelki - do zabezpieczenia połączeń przed wyciekami.
- Trójniki - do podłączenia grzejnika do istniejącego systemu.
Instrukcja montażu grzejnika w istniejącym systemie
Aby prawidłowo zamontować grzejnik w istniejącym systemie, należy wykonać kilka kroków. Po pierwsze, upewnij się, że system grzewczy jest wyłączony, a woda została odcięta. Następnie, odkręć stare połączenia i przygotuj miejsce na nowy grzejnik. Użyj poziomicy, aby upewnić się, że grzejnik jest zamontowany w odpowiedniej pozycji. Po zamontowaniu uchwytów, przymocuj grzejnik do ściany, a następnie podłącz przewody zasilające i odprowadzające, pamiętając o użyciu taśmy teflonowej dla lepszej szczelności.
Po podłączeniu przewodów, otwórz zawory i włącz system grzewczy. Sprawdź, czy nie ma wycieków w miejscu połączeń. Następnie, odpowietrz grzejnik, aby usunąć powietrze z układu, co zapewni jego prawidłowe działanie. Upewnij się, że wszystkie połączenia są szczelne i grzejnik działa efektywnie, dostarczając ciepło do pomieszczenia.

Bezpieczeństwo podczas podłączania grzejnika
Bezpieczeństwo jest kluczowym aspektem podczas podłączania grzejnika. Przed rozpoczęciem pracy należy zawsze wyłączyć system grzewczy oraz odciąć dopływ wody, aby uniknąć nieprzyjemnych niespodzianek. Dobrze jest również zadbać o odpowiednie narzędzia i materiały, aby prace przebiegły sprawnie. Pamiętaj, aby zawsze stosować się do zasad hydrauliki i fizyki cieplnej, co pozwoli na uniknięcie problemów z wydajnością systemu grzewczego.
Najczęstsze błędy podczas instalacji i jak ich unikać
Podczas instalacji grzejnika można popełnić kilka typowych błędów, które mogą prowadzić do problemów z jego działaniem. Jednym z najczęstszych błędów jest niewłaściwe podłączenie przewodów zasilających i odprowadzających, co może skutkować niedogrzewaniem pomieszczenia. Inny powszechny błąd to brak odpowiedniego odpowietrzenia grzejnika, co prowadzi do gromadzenia się powietrza w układzie. Aby uniknąć tych problemów, zawsze sprawdzaj schemat podłączenia i upewnij się, że wszystkie połączenia są szczelne.
Kiedy warto skonsultować się z fachowcem w tej sprawie
W niektórych sytuacjach warto rozważyć konsultację z fachowcem przed podłączeniem grzejnika. Jeśli nie masz doświadczenia w instalacji systemów grzewczych lub napotkałeś nieoczekiwane problemy, skorzystanie z pomocy specjalisty może zaoszczędzić czas i pieniądze. Ponadto, w przypadku skomplikowanych instalacji lub rozbudowy systemu, profesjonalna pomoc zapewni, że wszystko będzie wykonane zgodnie z obowiązującymi normami i przepisami.
Jak zintegrować nowoczesne technologie z systemem grzewczym?
W dzisiejszych czasach, zintegrowanie nowoczesnych technologii z systemem grzewczym staje się coraz bardziej popularne i może znacznie zwiększyć efektywność ogrzewania. Warto rozważyć zastosowanie inteligentnych termostatów, które pozwalają na zdalne sterowanie temperaturą w pomieszczeniach oraz automatyzację ustawień w zależności od codziennych nawyków domowników. Dzięki temu można nie tylko zaoszczędzić na kosztach energii, ale także poprawić komfort cieplny w domu.
Inwestycja w pompę ciepła lub systemy solarne może również przynieść długofalowe korzyści. Pompy ciepła wykorzystują energię z otoczenia do ogrzewania, co czyni je bardziej ekologicznymi i ekonomicznymi. Dodatkowo, instalując czujniki temperatury i czujniki wilgotności, można jeszcze bardziej zoptymalizować działanie systemu grzewczego, dostosowując go do zmieniających się warunków atmosferycznych. Takie podejście do ogrzewania nie tylko zwiększa wydajność, ale także przyczynia się do ochrony środowiska, co jest niezwykle istotne w dzisiejszych czasach.





